Магазин запчастей для бытовой техники - Arlos
Москва
close
Выберите ваш регион
АбаканАлександровАльметьевскАнгарскАрзамасАрмавирАртемАрхангельскАстраханьАчинскБалаковоБалашихаБеларусьБелгородБердскБерезникиБийскБлаговещенскБратскБрянскВеликий НовгородВидноеВладивостокВладикавказВладимирВолгоградВолгодонскВолжскийВологдаВолховВоркутаВоронежВоскресенскВыборгГатчинаГеленджикГрозныйДедовскДербентДзержинскДзержинскийДимитровградДмитровДолгопрудныйДомодедовоДонецкЕвпаторияЕгорьевскЕкатеринбургЕлецЕссентукиЖелезногорскЖелезнодорожныйЖуковскийЗеленоградЗлатоустИвановоИвантеевкаИжевскИркутскИстраЙошкар-ОлаКазаньКалининградКалугаКаменск-УральскийКамышинКаспийскКемеровоКерчьКировКисловодскКлинКовровКоломнаКомсомольск-на-АмуреКопейскКоролёвКостромаКотельникиКрасногорскКраснодарКраснознаменскКрасноярскКурганКурскКызылЛенинск-КузнецкийЛипецкЛобняЛыткариноЛюберцыМагнитогорскМайкопМалаховкаМахачкалаМиассМоскваМурманскМуромМытищиНабережные ЧелныНазраньНальчикНаро-ФоминскНахабиноНаходкаНевинномысскНефтекамскНефтеюганскНижневартовскНижнекамскНижний НовгородНижний ТагилНовокузнецкНовокуйбышевскНовомосковскНовороссийскНовосибирскНовоуральскНовочебоксарскНовочеркасскНовошахтинскНовый УренгойНогинскНорильскНоябрьскОбнинскОдинцовоОктябрьскийОмскОрелОренбургОрехово-ЗуевоОрскПавловский ПосадПензаПервоуральскПермьПетрозаводскПетропавловск-КамчатскийПодольскПрокопьевскПсковПушкиноПятигорскРаменскоеРеутовРостов-на-ДонуРубцовскРыбинскРязаньСакиСалаватСамараСанкт-ПетербургСаранскСаратовСевастопольСеверодвинскСеверскСергиев ПосадСерпуховСимферопольСмоленскСосновый БорСочиСтавропольСтарый ОсколСтерлитамакСтупиноСургутСызраньСыктывкарТаганрогТамбовТверьТихвинТольяттиТомилиноТомскТроицкТулаТюменьУлан-УдэУльяновскУссурийскУсть-ИлимскУфаУхтаФеодосияФрязиноХабаровскХанты-МансийскХасавюртХимкиЧебоксарыЧелябинскЧереповецЧеркесскЧеховЧитаШахтыЩелковоЭлектростальЭлистаЭнгельсЮжно-СахалинскЯкутскЯлтаЯрославль
  • - бесплатно по РФ
    Автоперезвон. Работает по принципу: Вы позвонили на номер, мы сбрасываем звонок и перезваниваем через 3 секунды.
  • - по Москве
  • 8 (925) 663-83-63

Call-центр

пн-вс: 10:00-19:00

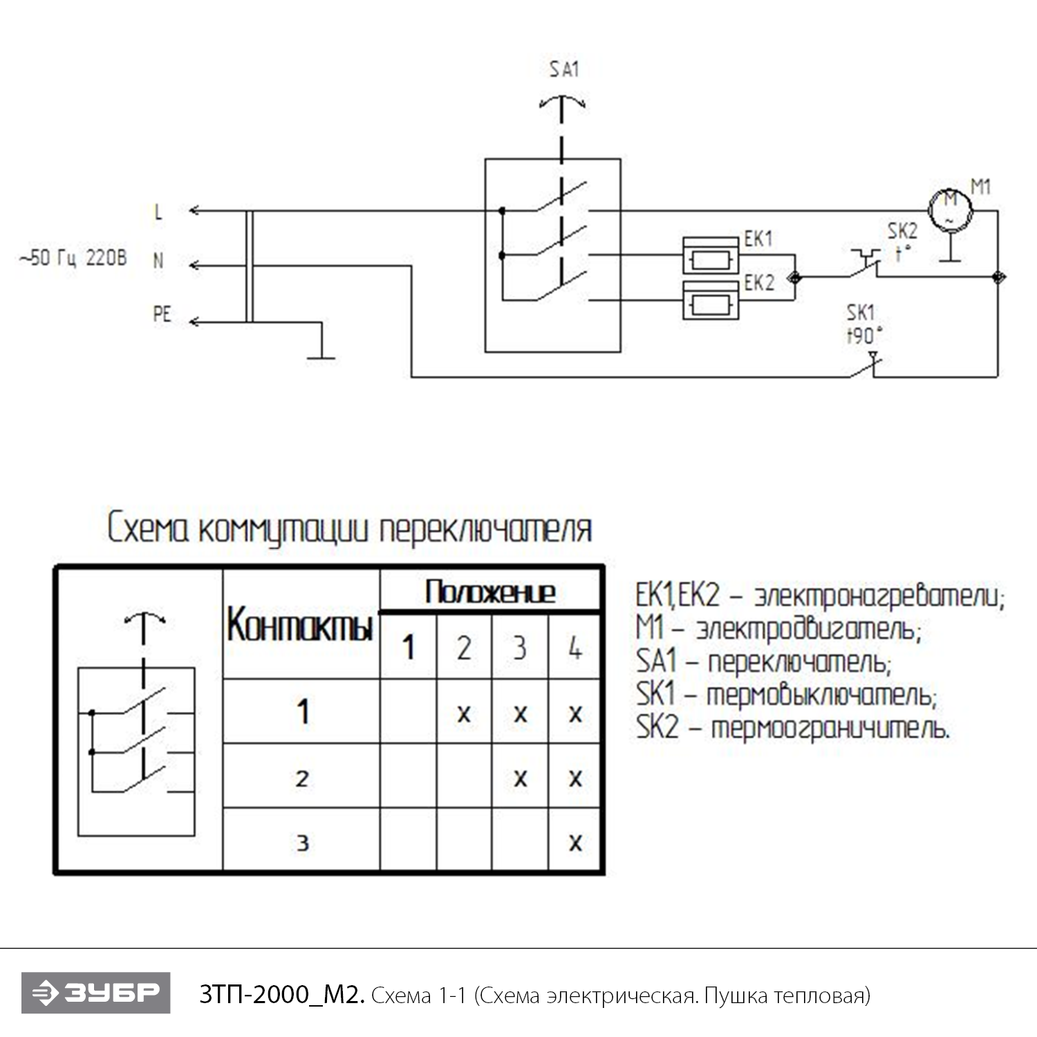
Пушка тепловая, М2 ЗТП-2000_М2

Данная модель имеет несколько схем

NАртикулНазваниеСрок отгрузкиЦенаКупить
1 N000-014-840 Корпус
2 N000-014-841 Держатель
3 N000-014-842 Обечайка
4 N000-014-843 Стойка
5 N000-014-844 Опора правая
6 N000-014-845 Опора левая
7 N000-014-846 Опора резиновая глухая
8 N000-014-847 Опора резиновая проходная
9 N000-014-848 Сетка ЦПВС
10 N000-014-849 Обод
11 V000-000-993 Электродвигатель АДС YJF5-00 5/30 Вт 1.620 р.
12 N000-014-850 Крыльчалка
13 N000-014-851 Термостат 74 р.
14 N000-014-852 Термостат биметаллический 257 р.
15 N000-014-853 Ручка
16 V000-003-205 Переключатель роторный 356 р.
17 V000-004-083 ТЭН 1.903 р.
18 N000-014-854 Фиксатор кабеля SB7R-1
19 N000-014-855 Ручка
20 N000-014-856 Винт самонарезающий 3,8х11 ос цинк (усеч. конус)
21 N000-014-857 Винт 6x30 ( гол. круг и винт шестигр. DIN912)
22 N000-014-858 Гайка M4-6G.019 Г ОСТ5927-70
23 N000-014-859 Шайба 4.65Г.019 ГОСТ6402-70
25 N000-014-862 Гайка М4-6G.019 ГОСТ5927-70
25 N000-014-864 Винт А2.M4-6gх14.019 ГОСТ 17473-80
25 N000-014-861 Шайба 4.019 ГОСТ6958-78
25 N000-014-863 Шайба 4.65Г.019 ГОСТ 6402-70
26 N000-014-865 Винт А2.M4-6gх6 .019 ГОСТ 17473-80
27 N000-014-866 Винт самонарезающий 4x16
Найдено товаров: 29
1
▲ Наверх
0
8 (925) 663-83-63

Call-центр

пн-вс: 10:00-19:00

НАЙТИ ПО МОДЕЛИ
Введите номер заказа
Введите номер своего заказа, что бы узнать его текущий статус.
Что бы получить доступ к расширенным функциям, пройдите не сложную регистрацию. Зарегистрироваться