Магазин запчастей для бытовой техники - Arlos
Москва
close
Выберите ваш регион
АбаканАлександровАльметьевскАнгарскАрзамасАрмавирАртемАрхангельскАстраханьАчинскБалаковоБалашихаБеларусьБелгородБердскБерезникиБийскБлаговещенскБратскБрянскВеликий НовгородВидноеВладивостокВладикавказВладимирВолгоградВолгодонскВолжскийВологдаВолховВоркутаВоронежВоскресенскВыборгГатчинаГеленджикГрозныйДедовскДербентДзержинскДзержинскийДимитровградДмитровДолгопрудныйДомодедовоДонецкЕвпаторияЕгорьевскЕкатеринбургЕлецЕссентукиЖелезногорскЖелезнодорожныйЖуковскийЗеленоградЗлатоустИвановоИвантеевкаИжевскИркутскИстраЙошкар-ОлаКазаньКалининградКалугаКаменск-УральскийКамышинКаспийскКемеровоКерчьКировКисловодскКлинКовровКоломнаКомсомольск-на-АмуреКопейскКоролёвКостромаКотельникиКрасногорскКраснодарКраснознаменскКрасноярскКурганКурскКызылЛенинск-КузнецкийЛипецкЛобняЛыткариноЛюберцыМагнитогорскМайкопМалаховкаМахачкалаМиассМоскваМурманскМуромМытищиНабережные ЧелныНазраньНальчикНаро-ФоминскНахабиноНаходкаНевинномысскНефтекамскНефтеюганскНижневартовскНижнекамскНижний НовгородНижний ТагилНовокузнецкНовокуйбышевскНовомосковскНовороссийскНовосибирскНовоуральскНовочебоксарскНовочеркасскНовошахтинскНовый УренгойНогинскНорильскНоябрьскОбнинскОдинцовоОктябрьскийОмскОрелОренбургОрехово-ЗуевоОрскПавловский ПосадПензаПервоуральскПермьПетрозаводскПетропавловск-КамчатскийПодольскПрокопьевскПсковПушкиноПятигорскРаменскоеРеутовРостов-на-ДонуРубцовскРыбинскРязаньСакиСалаватСамараСанкт-ПетербургСаранскСаратовСевастопольСеверодвинскСеверскСергиев ПосадСерпуховСимферопольСмоленскСосновый БорСочиСтавропольСтарый ОсколСтерлитамакСтупиноСургутСызраньСыктывкарТаганрогТамбовТверьТихвинТольяттиТомилиноТомскТроицкТулаТюменьУлан-УдэУльяновскУссурийскУсть-ИлимскУфаУхтаФеодосияФрязиноХабаровскХанты-МансийскХасавюртХимкиЧебоксарыЧелябинскЧереповецЧеркесскЧеховЧитаШахтыЩелковоЭлектростальЭлистаЭнгельсЮжно-СахалинскЯкутскЯлтаЯрославль
  • - бесплатно по РФ
    Автоперезвон. Работает по принципу: Вы позвонили на номер, мы сбрасываем звонок и перезваниваем через 3 секунды.
  • - по Москве
  • 8 (925) 663-83-63

Call-центр

пн-вс: 10:00-19:00

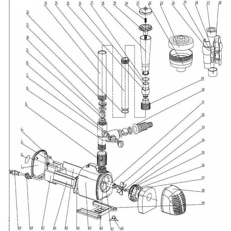
Насос фонтанный ЗНФЧ-50-3.4

Данная модель имеет несколько схем

NАртикулНазваниеСрок отгрузкиЦенаКупить
1 N000-023-803 Крышка задняя
2 N000-023-804 Табличка
3 N000-023-805 Трубка воздушная
4 N000-023-806 Соленоид
5 N000-023-807 Гайка
6 N000-023-808 Тройник
7 N000-023-809 Ручка крана
8 N000-023-810 Кольцо уплотнительное D12xd2
9 N000-023-811 Прокладка
10 N000-023-812 Шарик крана
11 N000-023-813 Шайба
12 N000-023-814 Кольцо уплотнительное D25xD2
13 N000-023-815 Трубка удлинительная
14 N000-023-816 Трубка средняя
15 N000-023-817 Переходник
16 N000-023-818 Втулка
17 N000-023-819 Кольцо уплотнительное D25xD3
18 N000-023-820 Патрубок
19 N000-023-821 Вставка
20 N000-023-822 Пружина
21 N000-023-823 Распылитель
22 N000-023-824 Патрубок
23 N000-023-825 Распылитель
24 N000-023-826 Часть патрубка
25 N000-023-827 Шток распылителя
26 N000-023-828 Шарик распылителя
27 N000-023-829 Втулка обжимная верхняя
28 N000-023-830 Втулка обжимная нижняя
29 N000-023-831 Втулка резьбовая
30 N000-023-832 Штуцер ″елочка″
31 N000-023-833 Ротор (постоянный магнит)
32 N000-023-834 Крыльчатка
33 N000-023-835 Ось 577 р.
34 N000-023-836 Крышка крыльчатки
35 N000-023-837 Втулка
36 N000-023-838 Кольцо уплотнительное D58xd3
37 N000-023-839 Фильтр
38 N000-023-840 Крышка передняя
39 N000-023-841 Основание
40 N000-023-842 Опора резиновая 92 р.
41 N000-023-843 Шайба D8хd4.5х0.5
42 N000-023-844 Шайба
43 N000-023-845 Корпус
44 N000-023-846 Прокладка
45 N000-023-847 Прокладка боковая
46 N000-023-848 Прокладка боковая
47 N000-023-849 Рама
48 N000-023-850 Держатель кабеля
49 V000-006-355 Шнур сетевой ZUBR, H05RN-F, Rubber, 3х0,75 mm2, 10m 480 р.
Найдено товаров: 49
1
▲ Наверх
0
8 (925) 663-83-63

Call-центр

пн-вс: 10:00-19:00

НАЙТИ ПО МОДЕЛИ
Введите номер заказа
Введите номер своего заказа, что бы узнать его текущий статус.
Что бы получить доступ к расширенным функциям, пройдите не сложную регистрацию. Зарегистрироваться