Магазин запчастей для бытовой техники - Arlos
Москва
close
Выберите ваш регион
АбаканАлександровАльметьевскАнгарскАрзамасАрмавирАртемАрхангельскАстраханьАчинскБалаковоБалашихаБеларусьБелгородБердскБерезникиБийскБлаговещенскБратскБрянскВеликий НовгородВидноеВладивостокВладикавказВладимирВолгоградВолгодонскВолжскийВологдаВолховВоркутаВоронежВоскресенскВыборгГатчинаГеленджикГрозныйДедовскДербентДзержинскДзержинскийДимитровградДмитровДолгопрудныйДомодедовоДонецкЕвпаторияЕгорьевскЕкатеринбургЕлецЕссентукиЖелезногорскЖелезнодорожныйЖуковскийЗеленоградЗлатоустИвановоИвантеевкаИжевскИркутскИстраЙошкар-ОлаКазаньКалининградКалугаКаменск-УральскийКамышинКаспийскКемеровоКерчьКировКисловодскКлинКовровКоломнаКомсомольск-на-АмуреКопейскКоролёвКостромаКотельникиКрасногорскКраснодарКраснознаменскКрасноярскКурганКурскКызылЛенинск-КузнецкийЛипецкЛобняЛыткариноЛюберцыМагнитогорскМайкопМалаховкаМахачкалаМиассМоскваМурманскМуромМытищиНабережные ЧелныНазраньНальчикНаро-ФоминскНахабиноНаходкаНевинномысскНефтекамскНефтеюганскНижневартовскНижнекамскНижний НовгородНижний ТагилНовокузнецкНовокуйбышевскНовомосковскНовороссийскНовосибирскНовоуральскНовочебоксарскНовочеркасскНовошахтинскНовый УренгойНогинскНорильскНоябрьскОбнинскОдинцовоОктябрьскийОмскОрелОренбургОрехово-ЗуевоОрскПавловский ПосадПензаПервоуральскПермьПетрозаводскПетропавловск-КамчатскийПодольскПрокопьевскПсковПушкиноПятигорскРаменскоеРеутовРостов-на-ДонуРубцовскРыбинскРязаньСакиСалаватСамараСанкт-ПетербургСаранскСаратовСевастопольСеверодвинскСеверскСергиев ПосадСерпуховСимферопольСмоленскСосновый БорСочиСтавропольСтарый ОсколСтерлитамакСтупиноСургутСызраньСыктывкарТаганрогТамбовТверьТихвинТольяттиТомилиноТомскТроицкТулаТюменьУлан-УдэУльяновскУссурийскУсть-ИлимскУфаУхтаФеодосияФрязиноХабаровскХанты-МансийскХасавюртХимкиЧебоксарыЧелябинскЧереповецЧеркесскЧеховЧитаШахтыЩелковоЭлектростальЭлистаЭнгельсЮжно-СахалинскЯкутскЯлтаЯрославль
  • - бесплатно по РФ
    Автоперезвон. Работает по принципу: Вы позвонили на номер, мы сбрасываем звонок и перезваниваем через 3 секунды.
  • - по Москве
  • 8 (925) 663-83-63

Call-центр

пн-вс: 10:00-19:00

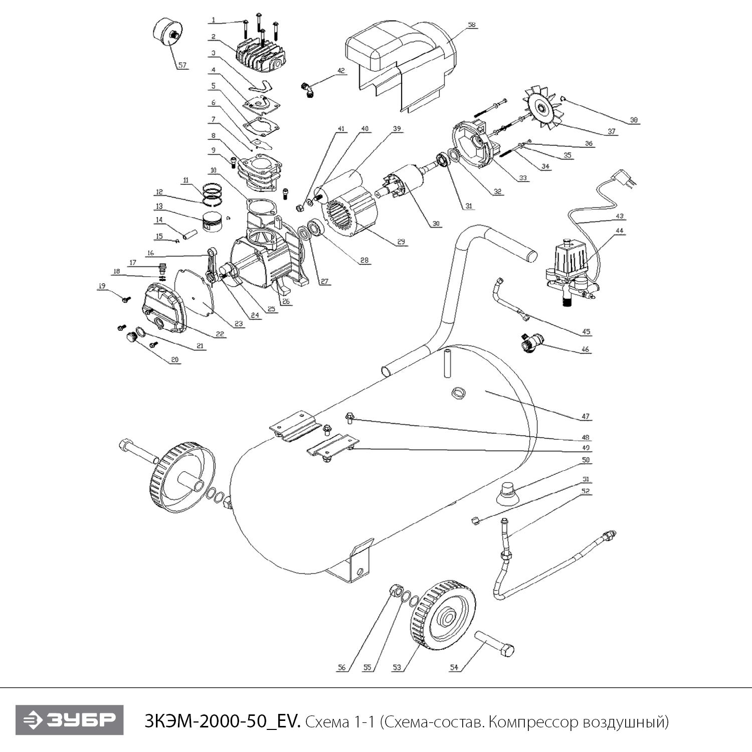
Компрессор воздушный ЗКЭМ-2000-50

Данная модель имеет несколько схем

NАртикулНазваниеСрок отгрузкиЦенаКупить
1 UM03-002-016 Болт M6х46
2 U571-200-002 Головка цилиндра 1.647 р.
3 U571-200-003 Прокладка головки цилиндра силиконовая 68х52х2 146 р.
4 U571-200-004 Блок клапанный 2.189 р.
5 U571-200-005 Прокладка клапанная паронитовая 56 р.
6 UM06-001-005 Кольцо разжимное D13 UM06-001-005 для ЗДМ-1200Р, ЗУШМ-230-2100П 92 р.
6 U571-200-006 Пластина клапанная фигурная L65.6 56 р.
7 U571-200-007 Штифт D3х6
8 U571-200-008 Цилиндр 1.548 р.
9 UM01-000-177 Винт М8х33 Н6
10 U571-160-011 Прокладка цилиндра паронитовая 100x75x1 325 р.
11 U571-200-011 Кольцо поршневое D55х2 205 р.
12 U571-200-012 Кольцо маслосъемное D55хh3 U571-200-012 для компрессора ЗКЭМ-2000-50 205 р.
13 U571-200-013 Поршень D55х40 383 р.
14 U571-200-014 Палец поршня D12
15 U571-200-015 Кольцо стопорное сжимное D13
16 U571-200-016 Шатун 205 р.
17 U571-200-017 Пробка-сапун 68 р.
18 U457-800-049 Кольцо уплотнительное D14 92 р.
19 UM03-002-005 Болт M6х18
20 U571-160-020 Окошко контроля уровня масла
21 U571-160-019 Кольцо резиновое
22 U571-200-022 Крышка картера 1.107 р.
23 U571-200-023 Уплотнение крышки картера 146 р.
24 UM01-001-008 Винт M8х30 (Левая резьба)
25 U571-160-025 Коленвал 2.099 р.
26 U571-200-026 Картер коленвала 1.353 р.
27 U571-160-027 Сальник D40хd20х7 56 р.
28 U009-620-4RS Подшипник шариковый 6204-2RS (47х20х14) ZYTL 429 р.
29 U571-200-029 Статор 95х128х128 4.845 р.
30 U571-200-030 Ротор 5.815 р.
31 U009-620-2RS Подшипник шариковый 6202-2RS (35x15x11) n/n 189 р.
33 U571-200-033 Крышка статора 674 р.
34 UM03-000-003 Болт M5x128 #F 92 р.
36 UM04-001-003 Шайба-гровер D5 92 р.
37 U571-200-037 Крыльчатка 141 р.
39 U571-160-041 Конденсатор 40мкФ 450В 418 р.
41 UM05-000-007 Гайка M8 92 р.
42 U571-200-042 Патрубок угловой 474 р.
43 U099-004-017 Шнур сетевой Rubber 3x1.5mm2 2m 383 р.
44 V000-006-229 Выключатель пневматический 8Атм Cut on/off (5.8/8.0), 16A ~250V
45 U571-200-045 Трубка выходная 309х250х24 551 р.
46 U571-200-046 Обратный клапан 868 р.
47 U571-200-047 Ресивер 2.849 р.
48 UM03-002-015 Болт M8х32
49 UM05-005-002 Гайка М8
50 U571-200-050 Опора резиновая
51 U571-200-051 Пробка слива конденсата
52 U571-200-052 Трубка нагнетания
53 U571-200-053 Колесо 452 р.
54 U571-200-054 Болт специальный M10x85
55 UM04-000-006 Шайба D10 92 р.
56 UM05-000-008 Гайка M10 92 р.
57 U571-200-057 Фильтр воздушный D67х61 189 р.
58 U571-200-058 Кожух защитный 1.159 р.
59 U571-200-059 Выключатель автоматический 10А 1.353 р.
60 U571-220-068 Штуцер пятивыводной 674 р.
61 U571-160-056 Манометр 14bar (D40 1/8″ папа резьба сзади) 445 р.
Найдено товаров: 58
1
▲ Наверх
0
8 (925) 663-83-63

Call-центр

пн-вс: 10:00-19:00

НАЙТИ ПО МОДЕЛИ
Введите номер заказа
Введите номер своего заказа, что бы узнать его текущий статус.
Что бы получить доступ к расширенным функциям, пройдите не сложную регистрацию. Зарегистрироваться