Магазин запчастей для бытовой техники - Arlos
Москва
close
Выберите ваш регион
АбаканАлександровАльметьевскАнгарскАрзамасАрмавирАртемАрхангельскАстраханьАчинскБалаковоБалашихаБеларусьБелгородБердскБерезникиБийскБлаговещенскБратскБрянскВеликий НовгородВидноеВладивостокВладикавказВладимирВолгоградВолгодонскВолжскийВологдаВолховВоркутаВоронежВоскресенскВыборгГатчинаГеленджикГрозныйДедовскДербентДзержинскДзержинскийДимитровградДмитровДолгопрудныйДомодедовоДонецкЕвпаторияЕгорьевскЕкатеринбургЕлецЕссентукиЖелезногорскЖелезнодорожныйЖуковскийЗеленоградЗлатоустИвановоИвантеевкаИжевскИркутскИстраЙошкар-ОлаКазаньКалининградКалугаКаменск-УральскийКамышинКаспийскКемеровоКерчьКировКисловодскКлинКовровКоломнаКомсомольск-на-АмуреКопейскКоролёвКостромаКотельникиКрасногорскКраснодарКраснознаменскКрасноярскКурганКурскКызылЛенинск-КузнецкийЛипецкЛобняЛыткариноЛюберцыМагнитогорскМайкопМалаховкаМахачкалаМиассМоскваМурманскМуромМытищиНабережные ЧелныНазраньНальчикНаро-ФоминскНахабиноНаходкаНевинномысскНефтекамскНефтеюганскНижневартовскНижнекамскНижний НовгородНижний ТагилНовокузнецкНовокуйбышевскНовомосковскНовороссийскНовосибирскНовоуральскНовочебоксарскНовочеркасскНовошахтинскНовый УренгойНогинскНорильскНоябрьскОбнинскОдинцовоОктябрьскийОмскОрелОренбургОрехово-ЗуевоОрскПавловский ПосадПензаПервоуральскПермьПетрозаводскПетропавловск-КамчатскийПодольскПрокопьевскПсковПушкиноПятигорскРаменскоеРеутовРостов-на-ДонуРубцовскРыбинскРязаньСакиСалаватСамараСанкт-ПетербургСаранскСаратовСевастопольСеверодвинскСеверскСергиев ПосадСерпуховСимферопольСмоленскСосновый БорСочиСтавропольСтарый ОсколСтерлитамакСтупиноСургутСызраньСыктывкарТаганрогТамбовТверьТихвинТольяттиТомилиноТомскТроицкТулаТюменьУлан-УдэУльяновскУссурийскУсть-ИлимскУфаУхтаФеодосияФрязиноХабаровскХанты-МансийскХасавюртХимкиЧебоксарыЧелябинскЧереповецЧеркесскЧеховЧитаШахтыЩелковоЭлектростальЭлистаЭнгельсЮжно-СахалинскЯкутскЯлтаЯрославль
  • - бесплатно по РФ
    Автоперезвон. Работает по принципу: Вы позвонили на номер, мы сбрасываем звонок и перезваниваем через 3 секунды.
  • - по Москве
  • 8 (925) 663-83-63

Call-центр

пн-вс: 10:00-19:00

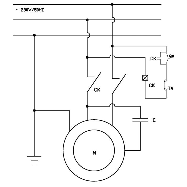
Электроплиткорез ЭП-200-800С

Данная модель имеет несколько схем

NАртикулНазваниеСрок отгрузкиЦенаКупить
U009-600-2RS Подшипник шариковый 6002-2RS (32x15x9) CCEB U009-600-2RS 404 р.
1 N000-021-843 Шайба D6
2 N000-021-844 Болт
3 N000-021-845 Винт
4 N000-021-872 Фланец внешний D50x25.4 N000-021-872 для ЭП-200-800С, СП-620 148 р.
4 N000-021-846 Указатель угла наклона
5 N000-021-847 Винт-барашек
6 N000-021-869 Фланец внутренний D50x25.4 N000-021-869 для ЭП-200-800С, СП-620 148 р.
6 N000-021-848 Шайба
7 N000-021-849 Болт
8 N000-021-850 Стойка
9 N000-021-851 Кабель-канал гибкий (30 звеньев) 2.161 р.
10 V000-003-284 Выключатель электромагнитный V000-003-284 для ЗЭП-1100С, ЭП-200-1000Н, СП-620 490 р.
10 N000-021-852 Профиль направляющий L690 N000-021-852 для ЭП-200-800С, СП-620 3.681 р.
11 N000-021-853 Указатель
12 N000-021-854 Винт
13 N000-021-855 Крышка 639 р.
14 N000-021-856 Саморез
15 N000-021-857 Шайба
16 N000-021-858 Прокладка 318 р.
17 N000-021-859 Хомут конденсатора
18 N000-021-860 Саморез
19 N000-021-861 Шайба
20 N000-021-862 Коробка выключателя
22 N000-021-863 Винт M5
25 N000-021-864 Винт
26 N000-021-865 Ограничитель
27 N000-021-866 Рукоятка
28 N000-021-867 Ручка
30 N000-021-868 Кожух диска
32 N000-021-870 Диск 200x25.4x2.4mm
34 N000-021-873 Гайка
35 N000-021-874 Крышка кожуха
37 N000-021-875 Пластина монтажная
38 N000-021-876 Упор угловой в сборе с набором для крепежа
39 N000-021-877 Винт-барашек
40 N000-021-878 Упор профилированный большой
41 N000-021-879 Болт
42 N000-021-880 Упор профилированный малый
43 N000-021-881 Фиксатор
44 N000-021-882 Винт-барашек
45 N000-021-883 Столешница
46 N000-021-884 Поддон-основание 577 р.
47 N000-021-885 Винт
48 N000-021-886 Кронштейн 1
49 N000-021-887 Кронштейн 2
50 N000-021-888 Опора 1
51 N000-021-889 Ножка резиновая
52 N000-021-890 Опора 2
53 N000-021-891 Винт стопорный
54 N000-021-892 Шайба
55 N000-021-893 Шайба-гровера
56 N000-021-894 Винт
58 N000-021-895 Гайка
59 N000-021-896 Кронштейн 3
60 N000-021-897 Гайка-барашек
61 N000-021-898 Кронштейн колодки
62 N000-021-899 Кронштейн 4
63 N000-021-900 Гайка
64 N000-021-901 Гайка
65 N000-021-902 Кронштейн
66 N000-021-903 Винт M5
67 N000-021-904 Винт
69 N000-021-905 Гайка
70 N000-021-906 Кольцо уплотнительное
72 N000-021-907 Винт
73 N000-021-908 Кожух брызгозащитный
74 N000-021-909 Пластина
75 N000-021-910 Гайка-барашек
76 N000-021-911 Гайка
77 N000-021-912 Каретка
78 N000-021-913 Уголок
79 N000-021-914 Гайка
80 N000-021-915 Кронштейн
81 N000-021-916 Винт
82 N000-021-917 Воротник шнура
83 N000-021-918 Колодка клеммная
84 N000-021-919 Шайба
85 N000-021-920 Винт
86 V000-007-544 Конденсатор 25мкФ 450В 406 р.
87 N000-021-922 Сальник D30xd17x5 104 р.
88 N000-021-923 Крышка передняя 232 р.
89 N000-021-924 Ротор АДА 2.045 р.
90 N000-021-925 Статор АДА в сборе с корпусом 9.016 р.
91 N000-021-926 Крышка задняя 232 р.
92 N000-021-927 Винт
93 N000-021-928 Крыльчатка
95 N000-021-929 Защита статора 894 р.
97 N000-021-931 Ключ гаечный 98 р.
98 N000-021-932 Ключ гаечный большой
99 N000-021-933 Цепочка
100 N000-021-934 Гайка
101 N000-021-935 Стержень шестигранный
102 N000-021-936 Пробка
103 V000-001-019 Насос СОЖ 220В 5Вт 851 р.
104 N000-021-938 Трубка СОЖ
105 N000-021-939 Шнур сетевой H05RN-F Rubber 3Gх1.0мм2 2м
106 N000-021-940 Шкала транспортирная 45°
107 N000-021-941 Кольцо уплотнительное D45х1.8
108 N000-021-942 Шайба D5
109 N000-021-943 Шайба D5 плоская
112 N000-022-421 Брызговик передний
Найдено товаров: 102
1
▲ Наверх
0
8 (925) 663-83-63

Call-центр

пн-вс: 10:00-19:00

НАЙТИ ПО МОДЕЛИ
Введите номер заказа
Введите номер своего заказа, что бы узнать его текущий статус.
Что бы получить доступ к расширенным функциям, пройдите не сложную регистрацию. Зарегистрироваться